Karinya

Amateur Radio (G3TXQ) - Ten-Tec Corsair II Sidetone

I finally decided I needed to do something about the "raspy" sidetone on my CorsairII. I was looking for a simple and easy modification that made a significant improvement with minimal alterations to the radio. This is what I came up with.

Before waveform Waveform after The left hand photo shows the sidetone audio waveform before modification, and the right hand photo shows the audio waveform after modification.

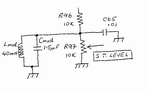
Sidetone schematic Here's the schematic. I simply added two components to form a high-Q tuned circuit across the Sidetone Level control. Lmod and Cmod are the two new components - they resonate at 650Hz.

Sidetone board This was the implementation: I took a small piece of PCB material and scored a gap along the centre - one side for ground and one side for the connection to R96,R97,C65. I bent a solder tag and soldered it to the ground side of the board.

Sidetone board I wound 122 turns of ecw on a high permeability toroid (I got tired at that stage) and measured the inductance as 40mH. I calculated I would need 1.5uF for resonance at 650Hz. Mounted the toroid on the board with a hot glue gun, and soldered a 1uF and a 0.47uF capacitor in parallel.

Sidetone installation Then I mounted the board at the front of the IF/AF board using the existing mounting screw between the AF Gain and Notch controls. I connected a short lead (yellow lead in the photo) between the board and the exposed end of R96; the board gets its ground through the mounting screw.

Adjustment simply consists of adjusting the sidetone pitch to place it at the centre of the new filter - it peaks noticeably as you adjust it. The result is: much nicer sounding sidetone; minimal changes to the radio; Sidetone Pitch and Level controls still work as normal.

If you decide to replicate the mod, be aware that the inductor needs to be pretty high Q otherwise the output level drops considerably - I measured the Q of mine as 330. Initially I tried one of the small Toko inductors, but its Q was less than 10!

The inductance is not critical - I tried values of 20mH to 100mH when I was experimenting - simply choose the matching capacitance value to resonate at your preferred sidetone frequency.